Skip navigation

Probe system diagrams

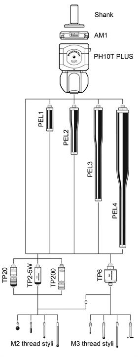
PH10T PLUS probe system diagram

The diagram below shows the range of extensions, probes and styli which can be used in conjunction with the PH10T head.

PH10T PLUS system diagram

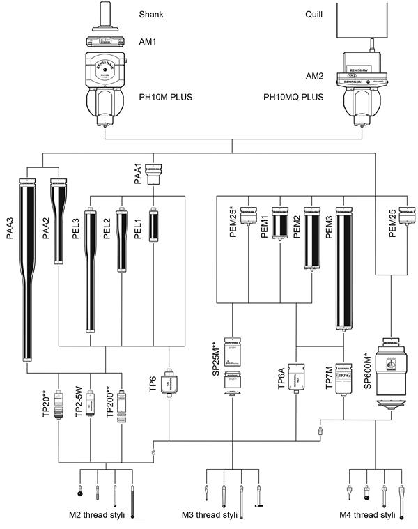
PH10M PLUS and PH10MQ PLUS probe system diagrams

The diagram below shows the range of extensions, probes and styli which can be used in conjunction with the PH10M PLUS and PH10MQ PLUS heads.

PH10M and PH10MQ PLUS system diagram

* PH10MQ PLUS used with SP600M requires a PEM25 extension bar to achieve A = 97.5° or A = 105° in all B-axis positions.

** Other modules versions are available for TP20, TP200 and SP25M.