Navigation
PHC10-3 PLUS probe head controller
Dedicated head controller for the PH10 range of motorised heads for use with OEM machine controller systems
 Replaces the PHC10-3 and the PHC10-2 and provides support for RS232 and USB communications Replaces the PHC10-3 and the PHC10-2 and provides support for RS232 and USB communications
- Uses a 24 V external power supply, manages all the PH10 and PH10 PLUS head functions and interfaces with the CMM's computer
- Does not manage the probe functions but does have the provision for a PI 200-3 or PI 7-3 interface card to be fitted internally
PHC10-3 PLUS (A-5863-0100)


| Key | Description | 
|---|---|
| 1 | 9-way D-type plug for PICS output | 
| 2 | 9-way D-type connector to HCU2 | 
| 3 | 25-way D-type plug RS232 communications connector to CMM computer | 
| 4 | USB type "B" socket | 
| 5 | |
| 6 | 15-way D-type connector to probe head | 
| 7 | 7-pin DIN raw probe connector to probe interface or multiwire input for internal interfaces | 
| 8 | |
| 9 | |
| 10 | Reset button | 
PH10 PLUS system with standard two wire touch-trigger probes
With internal PI 200-3
 
 PH10 PLUS system with standard two wire touch-trigger probes
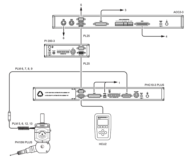
With internal PI 200-3 and autochange
 
 | Key | Description | 
|---|---|
| 1 | Communication connection to CMM controller RS232 or USB | 
| 3 | Communication to CMM controller | 
| 4 | Communication to autochange rack | 
| 5 | PICS output to CMM controller | 
| 6 | Probe output to CMM controller | 
PH10 PLUS system with standard two wire touch-trigger probes
With external PI 200-3 and autochange
 
 | Key | Description | 
|---|---|
| 1 | Communication connection to CMM controller - RS232 or USB | 
| 3 | Communication to CMM controller | 
| 4 | Communication to autochange rack | 
| 5 | PICS output to CMM controller | 
| 6 | Probe output to CMM controller | 
PH10 PLUS system with multiwire scanning probes
 
 | Key | Description | 
|---|---|
| 1 | Comms to CMM controller | 
| 2 | PICS to CMM controller | 
| 3 | Multiwire to probe interface | 
PH10 PLUS system with multiwire scanning and touch-trigger probes with internal PI 200-3
 
 | Key | Description | 
|---|---|
| 1 | Comms to CMM controller | 
| 2 | Touch-trigger probe and PICS to CMM controller | 
| 3 | Multiwire to probe interface | 
Specification
| Power supply | 24 Vdc 49 W provided by the Emerson PSU (DP4024N3M) power adaptor | 
| Data transmission | RS232 or USB1 and USB2 | 
| Current consumption (at 240 V) | Less than 1 A | 
| PSU electrical ratings | |
| Supply voltage | 100 V - 240 V +/-10% | 
| Frequency range | 50 Hz - 60 Hz | 
| Power consumption | 49 W max. | 
| Transient voltages | Installation category II | 
| Input connectors | 15-way ‘D' | 
| Probe output connectors | 7-pin DIN or 9-way ‘D' type | 
| Dimensions | |
| Height | 44 mm (1.75 in) - 1U | 
| Width | 440 mm (17.30 in) | 
| Depth | 180 mm (7.1 in) | 
| Weight | 1.5 kg (3 lb 5 oz) | 
| Maximum cable length | |
| RS232 | 50 m (164.04 ft) | 
| USB | 5 m (extendible in lengths of 5 m by use of a hub, to a maximum length of 30 m) | 
| Hand held control unit | HCU2 | 
| Part number | |
| PH10M PLUS motorised indexing probe head kits For use with multiwired probes and extension bars | |
| PH10M PLUS probe head and shank kit (see below for complete part no.) | A-5863-11** | 
| PH10M PLUS probe head, AM1 and shank kit (see below for complete part no.) | A-5863-19** | 
| PH10M PLUS probe head only | A-5863-4000 | 
| PH10M PLUS probe head and AM1 kit | A-5863-1060 | 
| PH10MQ PLUS quill mounted, motorised indexing probe head kits For use with multiwired probes and extension bars | |
| PH10MQ PLUS probe head kit | A-5863-6000 | 
| PH10T PLUS motorised indexing probe head kits For use with M8 threaded touch-trigger probes and extension bars | |
| PH10T PLUS probe head and shank kit (see below for complete part no.) | A-5863-25** | 
| PH10T PLUS probe head only | A-5863-5000 | 
| PH10M-iQ PLUS motorised indexing probe head kits with inferred qualification For use with multiwired probes and extension bars | |
| PH10M-iQ PLUS probe head kit | A-5863-7000 | 
| PH10 PLUS head controllers and hand control units | |
| PHC10-3 PLUS RS232 head controller (includes 24 V PSU) | A-5863-0100 | 
| PHC10-3 PLUS head controller with integral PI 200-3 interface (includes 24 V PSU, 4 feet, documentation CD and USB driver) | A-5863-0200 | 
| PHC10-3 PLUS head controller with integral PI 200-3 interface, additional PICS output port and PL25(T) PICS cable (includes 4 feet, documentation CD and USB driver) | A-5863-0300 | 
| HCU2 hand control unit | A-5882-0010 | 
| PH10 PLUS accessories | |
| AM1 adjustment module for PH10M PLUS, PH10T PLUS, PH6M and MIH | A-1026-0320 | 
| AM2 adjustment module for PH10MQ PLUS | A-1036-0080 | 
| PHA3 - PH10MQ PLUS to KM1 quick change adaptor | A-2238-0751 | 
| 24 V PSU for PHC10-3 PLUS, PI 200-3 and PI 7-3 | P-EA02-0042 | 
| 1U bracket kit | A-1018-0189 | 
| 1/3 x 1U bracket | A-1018-0179 | 
| PHC10-2 bracket 1U to 2U | A-1018-0173 | 
| PH10M PLUS A-5863- | PH10M PLUS (with AM1) A-5863- | PH10T PLUS A-5863- | |
| MS1 | 1139 | 2521 | |
| MS2 | 1135 | 2522 | |
| MS3 | |||
| MS4 | 2524 | ||
| MS5 | |||
| MS6 | 1136 | 2526 | |
| MS7 | 2527 | ||
| MS8 | 1137 | ||
| MS9 | 1141 | ||
| MS10 | |||
| MS11 | |||
| MS12 | 1155 | 2530 | |
| MS13 | 1142 | 2531 | |
| MS14 | 2532 | ||
| MS15 | 1140 | 2533 | |
| MS17 | 1991 | ||
| D shank | 










