Navigation
The system
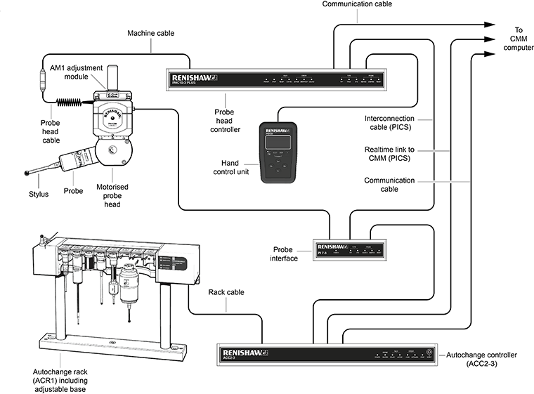
General description
Renishaw's ACR1 is a fully integrated 8 port probe exchange system. Mounted within the CMM's working envelope, the autochange system facilitates fast, automatic probe exchange without the need for re-qualification of the probe assembly.
Fast probe exchange cycles are achieved by the probe head docking the original probe and selecting a new one. The high repeatability of the autojoint removes the need to re-qualify between moves.
The autochange system consists of an autochange rack, an autochange controller and an autochange head which, together with a mounting kit and cables, form a complete kit.
