Navigation
System diagrams
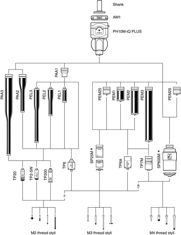
PH10M-iQ PLUS system diagrams
The diagram below shows the range of extensions, probes and styli which can be used in conjunction with the PH10M-iQ PLUS.

* All touch-trigger probes can utilise inferred qualification but when using a scanning probe, the system must be used in traditional PH10 mode.