Navigation
Scale inputs
Provides RS422 compatible scale inputs for each of the machine axes through the 15 W HDD connectors.
NOTE: If the machine scale is of a different format (e.g. analogue, single-ended), then this will require an external adaptor.
Pin number | Function | Pin number | Function |
|---|---|---|---|
1 | External N/C | 9 | |
2 | 0 V supply | 10 | + Error / limit switch Q |
3 | - Error | 11 | Limit switch P |
4 | - Reference mark | 12 | + Reference mark |
5 | - B signal | 13 | + B signal |
6 | - A signal | 14 | + A signal |
7 | + 5.25 V supply | 15 | Inner screen |
8 | Reserved | Shell |
Scale supply voltage is 5.25 V at 350 mA from each readhead connector. Scale quadrature signals with ideal waveforms and phase displacement with an edge rate of up to 40 MHz.
Scale input signals to be to EIA specification RS-422:

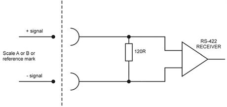
UCC T3 input circuits for CMM readhead - scale and reference mark inputs
UCC T3 error interface circuit
Supports the error signal as integrated to the Renishaw range of RGH24 readheads. If the error signal is not integrated into the connected readhead, then it is necessary to configure the connection as indicated below.
- -error (pin 3) link to 5.25 V (pin 7)
