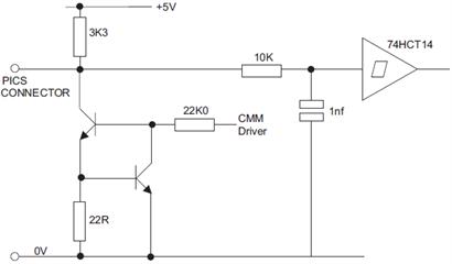
PICs bi-directional circuit (jpg)
File size: 67 kB
Language: English
Dimensions: 634 x 372 px
Latest videos - CMM probes, software and retrofits
Latest items - CMM probes, software and retrofits
Didn't find what you were looking for?
Tell us what you couldn’t find and we will do our best to help.