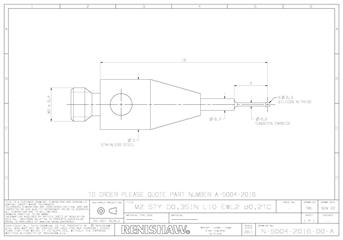
Technical drawing: A-5004-2016 (pdf)

File size: 35 kB Language: Language Independent Part number: A-5004-2016

Technical drawing for A-5004-2016

This type of file requires a viewer, freely available from Adobe

Didn't find what you were looking for?

Tell us what you couldn’t find and we will do our best to help.