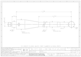
A-5555-2873 stylus for BLUM probes (pdf)
File size: 41 kB
Language: Language Independent
Web shop drawing A-5555-2873 BLUM stylus
This type of file requires a viewer, freely available from Adobe
Latest videos - Styli for probes
Latest items - Styli for probes
Didn't find what you were looking for?
Tell us what you couldn’t find and we will do our best to help.