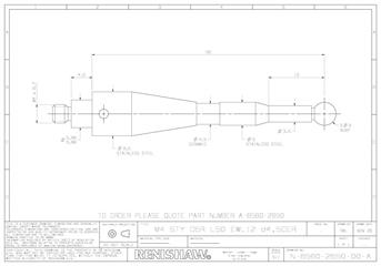
Technical drawing: A-6560-2650 stylus for BLUM probes (pdf)
File size: 40 kB
Language: Language Independent
Web shop drawing for A-6560-2650 BLUM stylus
This type of file requires a viewer, freely available from Adobe
Latest videos - Styli for probes
Latest items - Styli for probes
Didn't find what you were looking for?
Tell us what you couldn’t find and we will do our best to help.