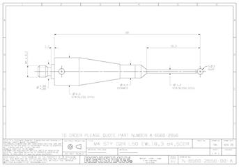
Technical drawing: A-6560-2656 stylus for BLUM probes (pdf)

File size: 39 kB Language: Language Independent

Web shop drawing for A-6560-2656 stylus for BLUM spindle probes

This type of file requires a viewer, freely available from Adobe

Didn't find what you were looking for?

Tell us what you couldn’t find and we will do our best to help.