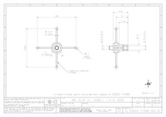
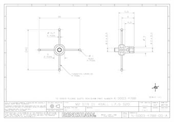
N-5003-4788 (pdf)
File size: 38 kB
Language: English
Part number: N-5003-4788
Web shop drawing
This type of file requires a viewer, freely available from Adobe
Latest videos - Styli for probes
Latest items - Styli for probes
Didn't find what you were looking for?
Tell us what you couldn’t find and we will do our best to help.