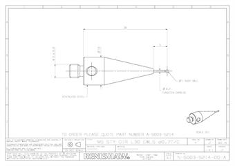
N-5003-5214 (pdf)
File size: 37 kB
Language: English
Part number: N-5003-5214
Web shop drawing
This type of file requires a viewer, freely available from Adobe
Latest videos - Styli for probes
Latest items - Styli for probes
Didn't find what you were looking for?
Tell us what you couldn’t find and we will do our best to help.