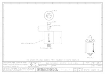
N-R-CSPS-1925-6-A (pdf)

File size: 74 kB Language: English Part number: R-CSPS-1925-6-A

Web shop technical drawing

This type of file requires a viewer, freely available from Adobe

Didn't find what you were looking for?

Tell us what you couldn’t find and we will do our best to help.