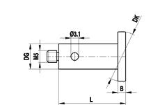
M5 Ø15 mm high strength steel disc, 1.5 mm width, L 21.5 mm, for ZEISS applications Product code: A-5555-0122 Disc stylusTechnical drawing for disc stylus, to be used on the web shop.[0B] Disc stylus Technical drawing for disc stylus, to be used on the web shop. [0B] Quantity Price 1+ $195.00 5+ $185.25 10+ $175.50 All prices are ex sales tax Limited AvailabilityLonger lead times may apply.Contact us for more information. Add to new group Before you begin to add items to your favourites please create your first group: A favourites group name can only be 1-80 alphanumeric characters and must not begin with white space Product sucessfully added to View favourites Processing request M5 disc stylus.Equivalent to ZEISS part number: 600341-8095-000.Equivalent to Q-Mark part number: SDP-1521.5. Technical tableDisc diameter (mm)15Disc width (mm)1.5Stem materialAluminiumThreadM5DG/D (mm)10.00DK (mm)15.00EAL/B1.50L (mm)21.50Weight (g)6.00 Related products $193.00 M5 Ø10 mm high strength steel disc, 1.5 mm width, L 21.5 mm, for ZEISS applications $286.00 M5 Ø20 mm high strength steel disc, 1 mm width, L 60 mm, for ZEISS applications $245.00 M5 Ø15 mm high strength steel disc, 1 mm width, L 40 mm, for ZEISS applications Shopping security Recall your cart