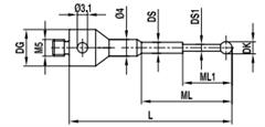
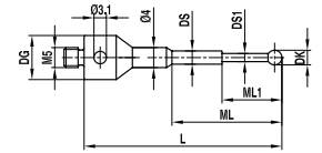
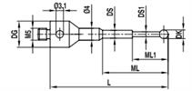
M5 Ø0.2 mm ruby ball, tungsten carbide stem, L 32 mm, ML 2.3 mm, for ZEISS applications Product code: A-5555-2404 Zeiss stylus, stepped stemTechnical drawing for Zeiss stylus, stepped stem[0B] Zeiss stylus, stepped stem Technical drawing for Zeiss stylus, stepped stem [0B] Zeiss stylus, stepped stem Technical drawing for Zeiss stylus, stepped stem [0B] Quantity Price 1+ $155.00 5+ $147.25 10+ $139.50 All prices are ex sales tax Limited AvailabilityLonger lead times may apply.Contact us for more information. Add to new group Before you begin to add items to your favourites please create your first group: A favourites group name can only be 1-80 alphanumeric characters and must not begin with white space Product sucessfully added to View favourites Processing request M5 straight stylus, for ZEISS applications.Note: measurement length is to end of ball. Technical tableBall diameter (mm)0.2Centre styliNEWL (mm)2.3Length (mm)32Overall length (mm)32Stem diameter (mm)1Stem materialTungsten carbideThreadM5Tip materialRubyDG/D (mm)11.00DK (mm)0.2DS (mm)1.0DS1 (mm)0.18L (mm)32.00ML (mm)12.00ML1 (mm)2.3Weight (g)6.5 Related products $161.00 M5 Ø0.5 mm ruby ball, tungsten carbide stem, L 32 mm, ML 12 mm, for ZEISS applications $155.00 M5 Ø0.25 mm ruby ball, tungsten carbide stem, L 32 mm, ML 12 mm, for ZEISS applications $102.00 M5 Ø0.3 mm ruby ball, tungsten carbide stem, L 32 mm, ML 12 mm, for ZEISS applications $125.00 M5 Ø10 mm silicon nitride ball, tungsten carbide stem, L 118 mm, ML 105 mm, for ZEISS applications $129.00 M5 Ø10 mm silicon nitride ball, tungsten carbide stem, L 150 mm, ML 135 mm, for ZEISS applications Shopping security Recall your cart